登录
首页 变频器维修
回帖 发帖
正文

主题:汇川小功率机型的温度检测电路

点击:1715 回复:9


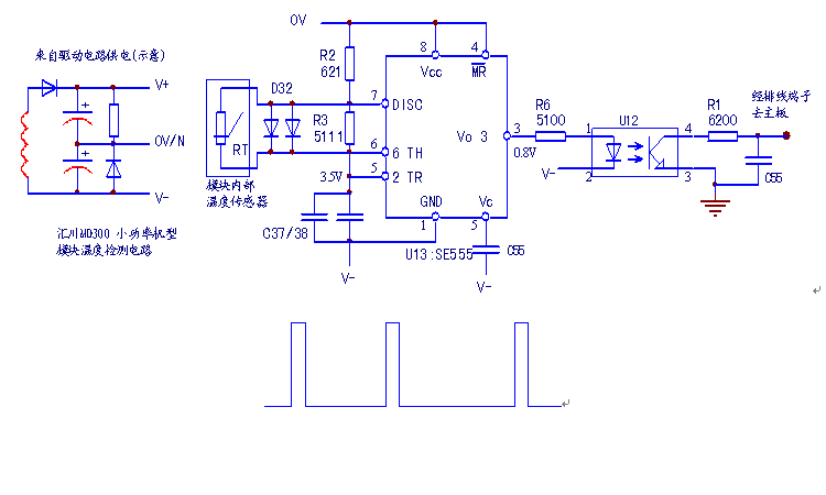
汇川小功率机型的温度检测电路
  常见IGBT模块的温度检测电路,多是由模块内部或外部温度传感器(多为负温度系数热敏电阻),与电阻串联形成对+5V的分压电路,从而将温度变化信号转变为电压信号,直接或经电压跟随器处理后,送入MCU引脚。检测信号为模拟电压信号。
   汇川MD300小功率机型的模块温度检测电路,由温度传感器和555时基电路构成多稳态(又称多谐振荡器)电路,3脚输出脉冲的低电平宽度,代表着温度信号。经后级电路(MCU?)D-A转换,获得温度检测信号。
   C37、C38充电时间由R2、D32决定,时间常数较小,对应3脚输出脉冲的高电平宽度;C37、C38的放电时间由RT、R3的并联值所决定,时间常数较大,对应3脚输出脉冲的低电平宽度。下图中所测数据为室温约30ºC时测量值,供参考。

图片
查看大图

中华工控网http://blog.gkong.com  原创文章,转载请注明出处。
   咸庆信
2015-7-22
15-07-22 06:20
支持咸工有又一好贴,对我这没理论知识着很有帮助。
15-07-22 07:35
咸工这么早来发帖啊  谢谢
15-07-22 08:44
有些是用分压后的电平和锯齿波比较产生的。
15-07-22 08:50
这种电路没有接触过,学习了。
15-07-22 20:01
好贴要顶,还要来学习一下。
15-07-22 20:42
好贴,咸工什么时候在办班啊
15-07-23 06:38
我也发个温度检测电路图,丹佛斯FC-301/22KW的机器,下面是电路图和几个脚的波形图 但是忘记哪张图对应哪个脚了。
附件 QQ截图20150723122150.jpg
附件 QQ截图20150723122212.jpg
附件 QQ截图20150723122228.jpg
附件 丹佛斯温度检测.jpg
最后修改:2015/7/23 13:36:44
15-07-23 13:07
谢谢两位大师分享资料!
15-07-23 19:13
555电路,有一段时间用得较多。
16-01-01 12:08

工控新闻

更多新闻资讯