登录
首页 电工技术 电工技术
回帖 发帖
正文

主题:用一个按钮控制电动机的起停

点击:1953 回复:10

前几天有人问我如何用一个按钮实现电机的起停控制,我想了半天,也没办法。哪位高人给设计个电路啊?谢谢~
11-06-06 15:54
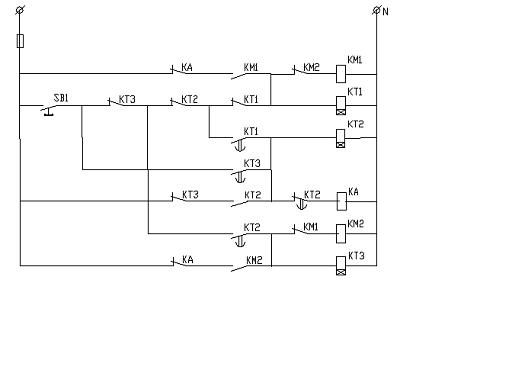
给个《有时间继电器的正转-停止-反转循环启-停控制》电路,简化下就能得到你需要的。

图片
查看大图

还有《无时间继电器的正转-停止-反转循环启-停控制》电路,都是单按钮的,详情请浏览以下地址:
http://m.gkong.com/bbs/66163.ashx
11-06-06 16:17
呵呵,用保持按钮就可以,按一下导通(保持为1),再按一下截止(保持为0),这样直接控制接触器,就能一键控制启停。
11-06-06 18:49

引用 ersacn 在 2011/6/6 18:49:33 发言【内容省略】

^_^,我想说的,已经被表达了。没错,用自锁按钮即可。很简单呀。
11-06-06 19:16
这个已经发了很多次了,应该可以搜出来。
11-06-06 19:41
旋钮开关就搞顶了
11-06-07 15:57
楼上的各位都是高见,也可采用点动式的,哈哈
11-06-07 16:34
支持
11-06-07 21:58

引用 kdrjl 在 2011/6/6 19:16:43 发言【内容省略】

11-06-08 00:05
直接用按钮就用自锁按钮,如果用PLC来实现那么方法就有好几种。
11-06-08 07:41

上一页下一页

工控新闻

更多新闻资讯