登录
首页 PLC论坛 西门子SIEMENS
回帖 发帖
正文

主题:有偿解决问题S7-200

点击:283 回复:29

引用 cvlsam 在 2025/12/19 5:00:11 发言【内容省略】

是又怎样?
没让你做就是越权,就是越位,就是多管闲事,就是找骂…
你是不是还要把现场调试的活也干了?领导安排的工作全让你弄乱了
让你干嘛就干嘛别那么卷
领导就喜欢你~多劳不需多得
25-12-19 10:48

引用 知道一点 在 2025/12/19 10:48:37 发言【内容省略】

这个思路也是绝了,好比请人吃饭,最后上了2斤白米饭,一个菜都不点,真正实现了啥叫请客吃饭这个饭字。
Good Luck~
25-12-19 11:01

引用 cvlsam 在 2025/12/19 11:01:20 发言【内容省略】

这也能比?或许只上半量能做到
要比?根我比,不悬赏,提出应急问题解决了直接打款
25-12-19 12:07

引用 ytleaderplc 在 2025/12/18 8:40:25 发言【内容省略】

AI可以帮你理清楚程序的意义目的,挺好的,之前300 STL 的程序给我解释的非常到位,
上面2位吵起来我也是碎了,主程序CALL 调用子程序,肯定需要把子程序也翻译了啊,
100块还有人干,太闲了,哈哈
如果是实际工程,照着抄成梯形图然后出设备,我估计2天,没1500+没人干。
25-12-19 12:51

引用 bnnyygy 在 2025/12/19 12:51:29 发言【内容省略】

AI好多都是胡说八道的,所以需要将AI说的将程序分解开自己实验来验证。
悬赏多少无所谓,有人可能一分钱不要就会干的,关键是熟悉200系列STL的人并不多,这个系列用STL编程并不常见。所以需要花很大的力气去做。
吵起来我觉得版主的问题很大,跟这种菜鸟有啥多解释的,要学万泉河帖子里说他一样,让他去一边凉快去,你越是客气解释,他越是蹬鼻子上脸胡搅蛮缠,水平很差却要装的很NB的样子。
不过我在这个论坛就没有看到过悬赏兑现的。
25-12-19 13:45

引用 知道一点 在 2025/12/19 12:07:50 发言【内容省略】

退休工人那么激动干什么,不怕岁数大了爆血管啊。
算了,也不要那么激动,论坛发帖凑积分换礼品不容易。人家提出悬赏了,也提到了微信领钱方式了,就差你解决问题了。
25-12-19 13:52

引用 fujifa 在 2025/12/19 13:52:13 发言【内容省略】

爆不爆关你屁事?
悬赏~这个论坛就没有看到过悬赏兑现的~兑不兑现要向你请示还是有眼无珠?
99年第一次给人家修改S7-200程序,拿来的就是STL程序
我给解决?还是给没有油的练练吧
万先生的还记得呀,他的不用MT就似雨田瞬间刹停一样瞎忽悠,你信呀
25-12-19 14:50

引用 知道一点 在 2025/12/19 14:50:23 发言【内容省略】

狗咬吕洞宾了吧,关心你那么激动干什么。
99年?这个论坛还没你吧,讨论论坛的事情而左右言他,惯用的伎俩又拿出来了?200程序?你的强项欧姆龙水平都那么差,还谈西门子?当年和高雅谈西门子你连个门槛都不敢进,除了口气外,你还拿得出什么。
万先生么,我不信啊,所以我发表看法了,我也搞不懂,我发表看法蛮激烈的,人家也交换看法,你发看法人家就让你靠边站了呢?
至于兑现,当年你摇旗呐喊的石油宝忘记了?
25-12-19 15:04

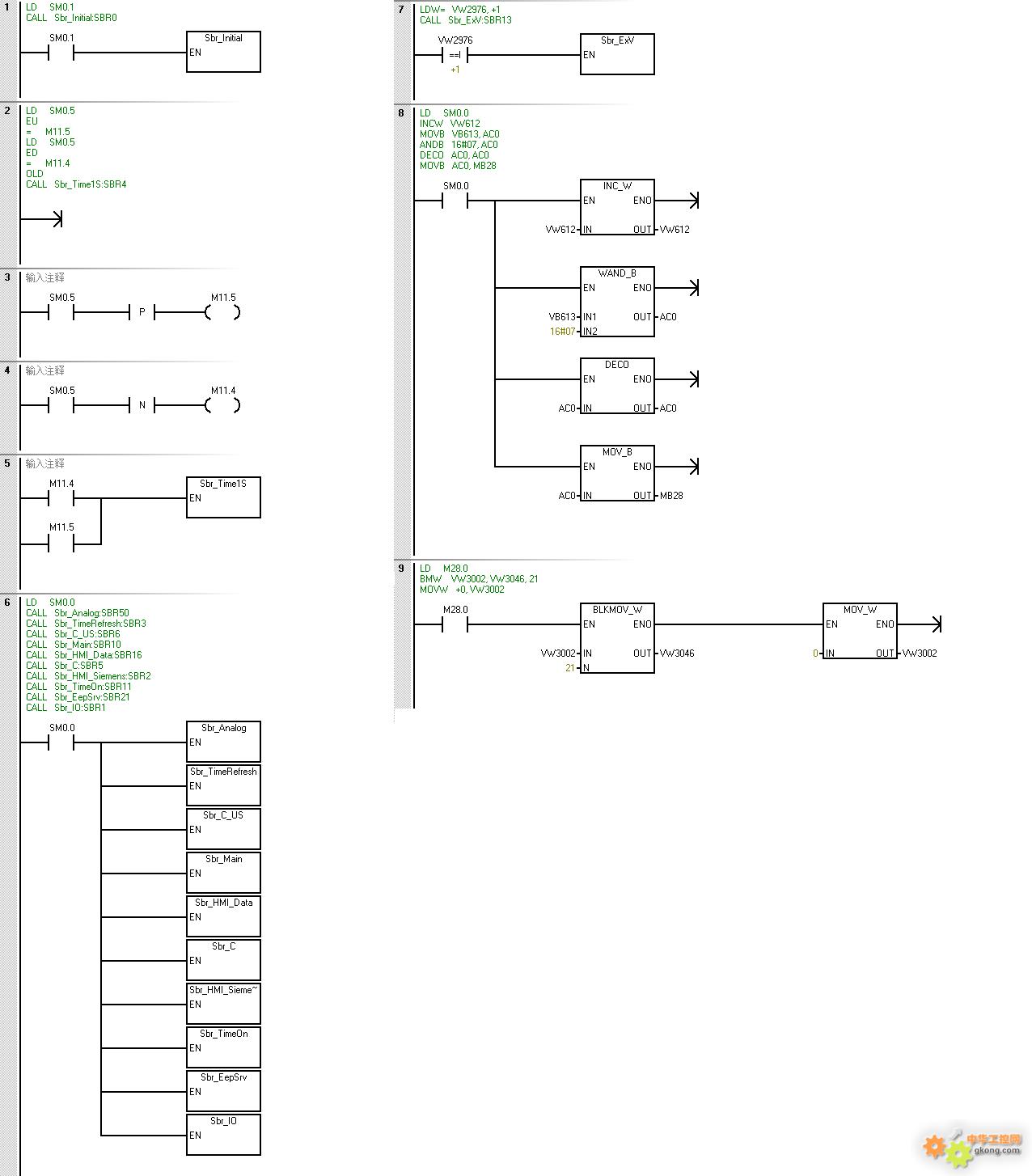
引用 bnnyygy 在 2025/12/19 12:51:29 发言【内容省略】

只要会分段,大部分是可以直接转换成梯形图的;
有点闲,拿主程序做一下;
剩下的子程序就不搞了,100块赚不起,我只搞免费的表情翻译错了概不负责。
附件 200STL.jpg
25-12-19 15:24

引用 bnnyygy 在 2025/12/19 12:51:29 发言【内容省略】

你在与甲方签合同时也这样替甲方考虑?
如果有稳定长期的固定收入,这样没问题
如果靠它养活自己考虑周全也没问题,只是要守恒
如果有未来预期免费也是??OK的
比如我立体车库的改造,就从王府井工美车库20年前开始,历经监察部车库…最近的科技部车库
最近接的封箱机改造(原程序控制气缸对于软箱失败,客户在使用的是伺服),如果成功,这客户就订10来台,老板保守估计同行起码百台每年,如果每台净利润200,哈哈来年出游退休金都省了
25-12-19 15:31

上一页 下一页

工控新闻

更多新闻资讯